| Startseite | Rudertechnik bei EPPs | |||||||||||||||||||||||||||||||||||||||||
| Rudertechnik für leichte EPPs gibts hier! | ||||||||||||||||||||||||||||||||||||||||||
| Der Ruderbau wird hier erklärt! | ||||||||||||||||||||||||||||||||||||||||||
| Tipps zum Anschlagen der Ruder gibts weiter unten! | ||||||||||||||||||||||||||||||||||||||||||
| Ruderhornbau | ||||||||||||||||||||||||||||||||||||||||||
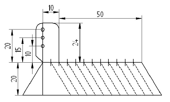
| Auch den Ruderhörnern sollte man ein gewisses Maß an Beachtung schenken. Sie sollen unzerstörbar, spielfrei, leicht und billig sein. Deswegen habe ich eine kleine CAD- Zeichnung gemacht, aus welcher eine Schablone für ein Ruderhorn erstellt werden kann. Die angegebenen Maße sollten eine Reproduktion einfach machen. Bei der neuen Zeichnung ist das Ruderhorn oben breiter, so dass Verletzungen durch nach hinten hinausragende Drahtenden ausgeschlossen werden. | ||||||||||||||||||||||||||||||||||||||||||
|
||||||||||||||||||||||||||||||||||||||||||
| Die Zeichnung auf ein Stück Pappe übertragen und ausschneiden. Die Löcher für die Anlenkungen werden durchstochen, um später auf dem Material an den jeweiligen Stellen Punkte machen zu können. Als Material hat sich das milchigweisse Kanistermaterial (falls in ausreichender Dicke vorhanden) oder der Kunstoff von Eimerdeckeln bewährt, welcher auch flexibel ist. Auf diesen Kunstoff wird die Außenkontur des Ruderhorns übertragen, wobei eine Tangente von der oberen Rundung des Ruderhorns je nach Rudertiefe bis zu einer Markierung der mittleren Linie gezogen wird (siehe Pfeil). Nun wird das Ruderhorn mit einer stabilen Schere oder einem Cuttermesser ausgeschnitten. Die Löcher für die Anlenkungen werden gebohrt. Der obere Teil des Ruderhorns wird zwischen 2 Brettern eingespannt, welche mit Schraubzwingen zusammengehalten werden. Die Knickstelle (siehe Pfeil) wird mit einem kleinen Lötbrenner erhitzt. Dann wird das Ruderhorn schnell umgebogen und die beiden Bretter werden auf eine glatte Unterlage gedrückt, so dass das Ruderhorn passend abgewinkelt wird. Nach dem Erkalten wird das Ruderhorn vorne und hinten passend zur Abschrägung des Ruders beschnitten und mit einem Streifen doppelseitigen Klebebandes am Ruder befestigt. Zusätzlich kommt noch ein Streifen 19mm Strape darum, das hält dann bombenfest. | ||||||||||||||||||||||||||||||||||||||||||
|
||||||||||||||||||||||||||||||||||||||||||
|
||||||||||||||||||||||||||||||||||||||||||
|
Einklemmen, erhitzen und umbiegen. |
||||||||||||||||||||||||||||||||||||||||||
|
||||||||||||||||||||||||||||||||||||||||||
|
||||||||||||||||||||||||||||||||||||||||||
| schräg (Sipkill- Zack) | ||||||||||||||||||||||||||||||||||||||||||
| gerade (Pluto) | ||||||||||||||||||||||||||||||||||||||||||
| Anschlagen der Ruder | ||||||||||||||||||||||||||||||||||||||||||
|
Oftmals kann man bei EPPs Ruder beobachten, bei denen das Tesaband am Rand eingerissen ist oder welche sich an der Scharnierkante
nach oben und unten
bewegen können. Diesem Misstand kann mit einem einfachen Trick und etwas Strape einfach abgeholfen werden. Auch sieht man immer wieder Flieger, welche die Ruder oben angeschlagen haben, so dass der Ruderspalt unten ist. Das mag vielleicht gut aussehen, ist der Aerodynamik aber sicherlich nicht zuträglich. Da sich auf der Profiloberseite meistens eine Laminarblase bildet, ist im Bereich des Ruderspaltes die Strömung sowieso turbulent, so dass kein zusätzlicher Widerstand zu befürchten ist. Anders auf der Unterseite: Hier ist die Strömung oft durchgängig laminar, so dass ein Ruderspalt sie verwirbeln und somit für unerwünschten Widerstand sorgen wird. |
||||||||||||||||||||||||||||||||||||||||||
| Zuerst werden mehrere kurze Stücke 20mm Strape am Ende mit 8mm Überlappung an ihrer Klebeseite zusammengeklebt und danach in der Mitte durchgeschnitten, sodass 2 schmale Steifen entstehen. Von diesen Streifen wird je einer an die Enden der Ruder und evtl. auch in die Mitte auf die Oberseite geklebt. Nun wird das Ruder passend an die Hinterkante gehalten und die Streifen werden an die Flächenunterseite geklebt (Schnitt B). Nun zieht man das Ruder etwas nach hinten, sodass der Ruderspalt gross wird. Nun klebt man die anderen Streifen direkt neben den zuerst geklebten auf der Oberseite der Fläche fest uns zieht sie durch den Spalt nach unten, wo sie auf die Unterseite der Ruder geklebt werden. | |||||||||||||||||||||||||||||||||||||||||
|
Wenn man sauber gearbeitet hat, sollte das Ruder genau auf einer Ebene mit der Fläche liegen. Nun wird wie im Normalfall auch zuerst unten und dann auch oben ein Tesafilmstreifen aufgeklebt. Diese Ruderbefestigung hat sich auch bei extremen Bedingungen bewährt und musste noch nie ausgebessert werden. |
||||||||||||||||||||||||||||||||||||||||||
|
||||||||||||||||||||||||||||||||||||||||||
|
||||||||||||||||||||||||||||||||||||||||||
|
||||||||||||||||||||||||||||||||||||||||||
| von unten | ||||||||||||||||||||||||||||||||||||||||||
| von oben | ||||||||||||||||||||||||||||||||||||||||||